Product overview of Butt-welded Hard Seal Butterfly Valve D363H/W:
Product model: D363H/W
Nominal menstrual passage: DN100 ~ 1000mm, NPS4" ~ 48"
Nominal pressure: strength test (1.5× Pn) Seal test (1.1× Pn)
Applicable temperature: carbon steel: -29℃ ~ 425℃, stainless steel: -40℃ ~ 650℃
Applicable medium: water, hot water, steam, oil
Drive mode: worm gear drive, electric, pneumatic, hydraulic
Welding standard: GB12224, ANSI B16.25, DIN2559
Product details of Butt-welded Hard Seal Butterfly Valve D363H/W:
Characteristic of Butt-welded Hard Seal Butterfly Valve D363H/W:
1, the use of three eccentric butterfly valve can be called the top process valve, the design of the valve for high temperature, high pressure, fire-resistant foam sealing ideal sealing valve.
2, due to the use of welding structure, so that the valve and the pipeline plane to achieve a permanent zero leakage.
3, the valve can not be flanged, bringing great convenience and beautiful appearance to the pipe and insulation bandaging.
Technical Parameters of Butt-welded Hard Seal Butterfly Valve D363H/W:
| Nominal diameter DN (mm) | DN (100 ~ 400) mm, in4 ~ 48 |
| Nominal pressure PN (MPa) | Strength test (1.5 × PN) Seal test (1.1 × PN) |
| proper temperature | Carbon steel: -29 ℃ ~ 425 ℃, stainless steel: -40 ℃ ~ 650 ℃ |
| Suitable media | Water, steam, hot water, oil |
| Drive mode | Worm gear, electric, pneumatic, hydraulic |
| Pressure Level | ANSI 150Lb / PN25 |
| Welding standards | GB12224, ANSI B16,25, DIN2559 |
Main Components Material of Butt-welded Hard Seal Butterfly Valve D363H/W:
| Part Name | material |
| Body | Carbon steel, stainless steel, chrome-aluminum steel |
| Butterfly plate | Carbon steel, alloy steel, stainless steel |
| Seat | 3 stainless steel, cobalt-based cemented carbide |
| Sleeve | stainless steel |
| Valve stem | Stainless steel, special materials |
| Filler | Flexible graphite |
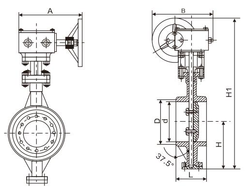
Connection Size of Butt-welded Hard Seal Butterfly Valve D363H / D663H / D363H/W:

| Nominal diameter | Main dimensions | Nominal diameter | Main dimensions | ||||||
| in | DN (mm) | L | H1 | H | in | DN (mm) | L | H1 | H |
| 4 | 100 | 190 | 270 | 370 | 18 | 450 | 330 | 535 | 820 |
| 5 | 125 | 200 | 295 | 390 | 20 | 500 | 350 | 560 | 900 |
| 6 | 150 | 210 | 308 | 416 | 24 | 600 | 390 | 630 | 980 |
| 8 | 200 | 230 | 370 | 530 | 28 | 700 | 430 | 670 | 1100 |
| 10 | 250 | 250 | 450 | 580 | 32 | 800 | 470 | 800 | 1300 |
| 12 | 300 | 270 | 465 | 630 | 36 | 900 | 510 | 850 | 1370 |
| 14 | 350 | 290 | 475 | 595 | 40 | 1000 | 550 | 880 | 1480 |
| 16 | 400 | 310 | 505 | 755 | 48 | 1200 | 630 | 1000 | 1690 |