Introduction of Pneumatic Three-way Ball Valve Q644F:
Pneumatic Three-way Ball Valve Q644F produced and sold by TopVal can be divided into L-shaped pneumatic three-way ball valve and T-shaped pneumatic three-way ball valve, L-shaped (Q44F) three-way ball valve for medium flow switching, Channel connection; T-shaped (Q45F) three-way ball valve for medium diversion, confluence and flow switching. T-tee can make the three channels connected to each other or the two of the channels. Three-way ball valve generally use two seat structure, can also be used according to user requirements four seat structure.
Performance Parameters of Pneumatic Three-way Ball Valve Q644F:
| test pressure | Nominal pressure (Mpa) | ||||
| Mpa | 1.6 | 2.5 | 4.0 | CL150 | JIS10K |
| Strength test | 2.4 | 3.8 | 6.0 | 3.2 | 2.4 |
| Seal test | 1.8 | 2.8 | 4.4 | 2.2 | 1.5 |
| Airtight test | 0.5-0.7 | ||||
| Operating temperature | PTFE≤150 ℃ PTL≤300 ℃ | ||||
| Suitable media | C: water, oil and gas; P: nitric acid; R: acetic acid | ||||
Main Part Materials of Pneumatic Three-way Ball Valve Q644F:
| Body, bonnet | WCB, CF8 |
| Sphere | WCB Hcr, CF8 |
| Valve stem | 2Cr13, CF8 |
| Seat | PTFE |
| filler | PTFE |
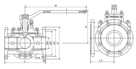
Main Dimensions of Pneumatic Three-way Ball Valve Q644F:

| PN | Nominal diameter | L | L1 | H | W | Weight (kg) | |||||
| Mpa | mm | in | mm | mm | mm | mm | 1.6 | 2.5 | 4.0 | CL150 | JIS10K |
1.6 | 15 | 1/2 | 130 | 65 | 62 | 100 | 2.5 | 3.0 | 3.5 | 2.5 | 2.5 |
| 20 | 3/4 | 150 | 75 | 68 | 160 | 3.0 | 3.5 | 4.5 | 3.0 | 3.6 | |
| 25 | 1 | 160 | 80 | 75 | 160 | 4.8 | 5.0 | 6 | 5.0 | 5.0 | |
| 32 | 1 1/4 | 180 | 90 | 85 | 200 | 6.5 | 7 | 8.5 | 7 | 7 | |
| 40 | 1 1/2 | 200 | 100 | 95 | 200 | 8.5 | 9 | 10.5 | 9 | 9 | |
| 50 | 2 | 230 | 115 | 110 | 250 | 11 | 12 | 14 | 12 | 11 | |
| 65 | 2 1/2 | 290 | 145 | 130 | 300 | 15 | 17 | 20 | 16 | 16 | |
| 80 | 3 | 310 | 155 | 155 | 400 | 21 | 22 | 32 | 21 | 22 | |
| 100 | 4 | 350 | 175 | 180 | 500 | 33 | 36 | 50 | 36 | 36 | |
| 125 | 5 | 400 | 200 | 250 | 600 | 65 | 70 | 80 | 68 | 70 | |
| 150 | 6 | 480 | 240 | 275 | 800 | 103 | 110 | 120 | 105 | 105 | |
| 200 | 8 | 580 | 290 | 325 | 1000 | 152 | 168 | 180 | 160 | 160 | |