Product Description of Pneumatic Triple Eccentric Hard Seal Butterfly Valve D643H:
Pneumatic Triple Eccentric Hard Seal Butterfly Valve D643H produced by TopVal are widely used in petroleum, chemical, power, metallurgy, food, medicine, textile, paper and other industries can be installed in the temperature ≤ 425 ℃, the medium for gas, air, steam, water, sea water, oil Industrial pipe network for regulating the flow and cut off the media.
Drive in the form of manual, worm gear, pneumatic, hydraulic, electric, electro-hydraulic linkage and other implementing agencies, enabling long-distance control and automation. Metal seal butterfly valve products, the Department of long life, energy-saving butterfly valve. The structure of the three-dimensional schematic design of the heart, the seat with a hard and soft seal-compatible multi-level structure, exquisite workmanship, advanced technology. The product from the valve body, disc, multi-level valve seat, stem, transmission and other major components. Therefore, it is widely used in metallurgy, electric power, petroleum, chemical, air, gas, combustible gas and plumbing and other corrosive media pipeline.
Main Features of Pneumatic Triple Eccentric Hard Seal Butterfly Valve D643H:
Because this product butterfly valve is the use of three-dimensional design of the eccentric principle, so that the seal surface space trajectory idealized, the sealing surface between no friction, no interference, combined with the sealing material properly selected, so that the butterfly valve sealing, corrosion resistance , High temperature resistance and wear resistance has been a reliable guarantee. Its main features are as follows:
1, the opening torque is small, flexible and convenient, saving energy.
2, three-dimensional structure of the heart, the more close the more tight disc, the sealing performance is reliable, to no leakage.
3, high pressure, corrosion resistance, wear resistance, long life and so on.
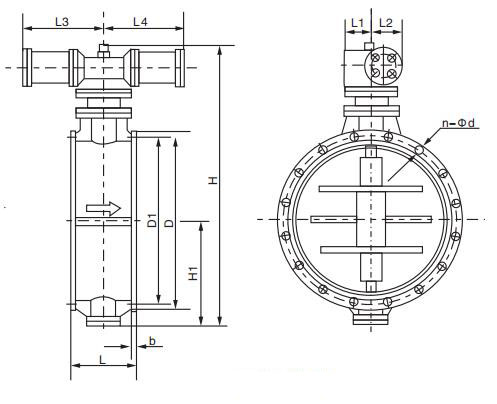
Main Dimensions of Pneumatic Triple Eccentric Hard Seal Butterfly Valve D643H:

| Nominal diameter (DN) | Main dimensions | Flange size and bolt size | ||||||||||
| 1.0MPa | 1.6MPa | 2.5MPa | ||||||||||
| L | H1 | H | D | D1 | n-Фd | D | D1 | n-Фd | D | D1 | n-Фd | |
| 50 | 108 | 350 | 112 | 165 | 125 | 4-18 | 165 | 125 | 4-18 | 165 | 125 | 4-18 |
| 65 | 112 | 370 | 115 | 185 | 145 | 4-18 | 185 | 145 | 4-18 | 185 | 145 | 8-18 |
| 80 | 114 | 380 | 120 | 200 | 160 | 4-18 | 200 | 160 | 8-18 | 200 | 160 | 8-18 |
| 100 | 127 | 420 | 138 | 220 | 180 | 8-18 | 220 | 180 | 8-18 | 235 | 190 | 8-22 |
| 125 | 140 | 460 | 164 | 250 | 210 | 8-18 | 250 | 210 | 8-18 | 270 | 220 | 8-26 |
| 150 | 140 | 555 | 175 | 285 | 240 | 8-22 | 285 | 240 | 8-22 | 300 | 250 | 8-26 |
| 200 | 152 | 760 | 200 | 340 | 295 | 8-22 | 340 | 295 | 12-22 | 360 | 310 | 12-26 |
| 250 | 165 | 830 | 243 | 395 | 350 | 12-22 | 405 | 355 | 12-26 | 425 | 370 | 12-30 |
| 300 | 178 | 895 | 250 | 445 | 400 | 12-22 | 460 | 410 | 12-26 | 485 | 430 | 16-30 |
| 350 | 190 | 950 | 280 | 505 | 460 | 16-22 | 520 | 470 | 12-26 | 555 | 490 | 16-33 |
| 400 | 216 | 1190 | 305 | 565 | 515 | 16-26 | 580 | 525 | 16-26 | 620 | 550 | 16-36 |
| 450 | 222 | 1255 | 350 | 615 | 565 | 20-26 | 640 | 585 | 16-30 | 670 | 600 | 20-36 |
| 500 | 229 | 1305 | 380 | 670 | 620 | 20-26 | 715 | 650 | 20-30 | 730 | 660 | 20-36 |
| 600 | 267 | 1340 | 445 | 780 | 725 | 20-30 | 840 | 770 | 20-33 | 845 | 770 | 20-39 |
| 700 | 292 | 1520 | 480 | 895 | 840 | 24-30 | 910 | 840 | 24-36 | 960 | 875 | 24-42 |
| 800 | 318 | 1710 | 530 | 1015 | 950 | 24-33 | 1025 | 950 | 24-39 | 1085 | 990 | 24-48 |
| 900 | 330 | 1810 | 580 | 1115 | 1050 | 28-33 | 1125 | 1050 | 28-39 | 1185 | 1090 | 28-48 |
| 1000 | 410 | 1960 | 650 | 1230 | 1160 | 28-36 | 1255 | 1170 | 28-42 | 1320 | 1210 | 28-56 |
| 1200 | 470 | 2250 | 760 | 1455 | 1380 | 32-39 | 1485 | 1390 | 32-48 | 1530 | 1420 | 32-56 |