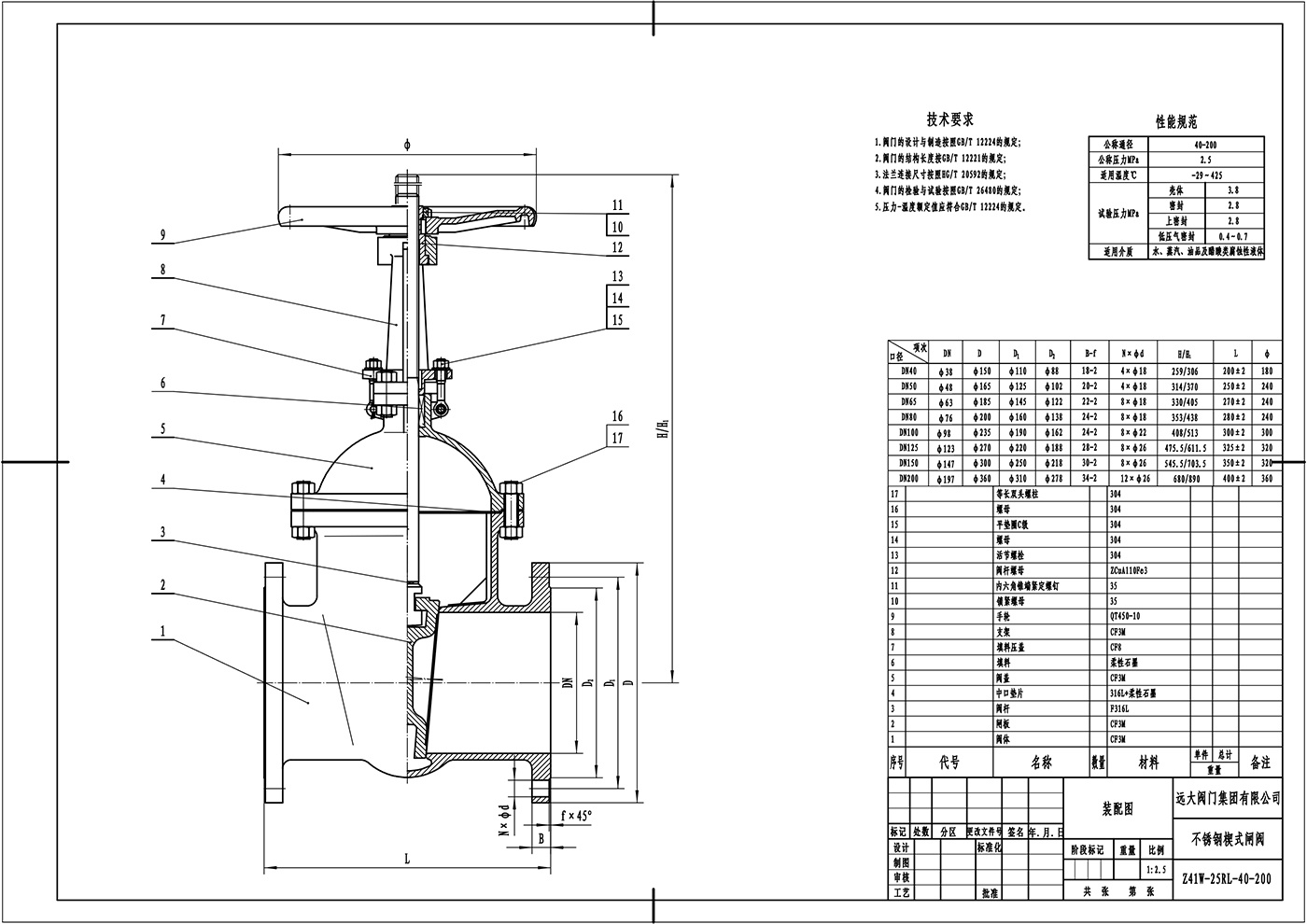
Overall Dimensions and Connection Dimensions
| in | DN | L | D | D1 | D2 | b-f | Z-Φd | H max | H min | D 0 | ||
| Z40W-150LB | 2” | 51 | 178 | 150 | 120.7 | 92.1 | 17.5-2 | 4-Φ19 | 381 | 320 | 200 | |
|---|---|---|---|---|---|---|---|---|---|---|---|---|
| 2 1/2" | 64 | 190 | 180 | 139.7 | 104.8 | 20.7-2 | 4-Φ19 | 433 | 357 | 200 | ||
| 3" | 77 | 203 | 190 | 152.4 | 127 | 22.3-2 | 4-Φ19 | 510 | 410 | 240 | ||
| 4" | 102 | 229 | 230 | 190.5 | 157.2 | 22.3-2 | 8-Φ19 | 580 | 465 | 280 | ||
| 5" | 127 | 254 | 255 | 215.9 | 185.7 | 22.3-2 | 8-Φ22.2 | 660 | 518 | 280 | ||
| 6" | 153 | 267 | 280 | 241.3 | 215.9 | 23.9-2 | 8-Φ22.2 | 775 | 610 | 320 | ||
| 8" | 204 | 292 | 345 | 298.5 | 269.9 | 27-2 | 8-Φ22.2 | 963 | 744 | 360 | ||
| 10" | 254 | 330 | 405 | 362 | 323.8 | 28.6-2 | 12-Φ25.4 | 1165 | 890 | 400 | ||
| 12" | 305 | 356 | 485 | 431.8 | 381 | 30.2-2 | 12-Φ25.4 | 1367 | 1039 | 450 | ||
| 14" | 337 | 381 | 535 | 476.3 | 412.8 | 33.4-2 | 12-Φ28.6 | 1545.5 | 1181.5 | 560 | ||
| 16" | 388 | 406 | 595 | 539.8 | 469.9 | 35-2 | 16-Φ28.6 | 1744 | 1326 | 560 | ||
| 18" | 439 | 432 | 635 | 577.9 | 533.4 | 38.1-2 | 16-Φ31.8 | 1930 | 1440 | 640 | ||
| 20" | 489 | 457 | 700 | 635 | 584.2 | 41.3-2 | 20-Φ31.8 | 2127 | 1616 | 640 | ||
| 24" | 591 | 508 | 815 | 749.3 | 692.2 | 46.1-2 | 20-Φ34.9 | 2531 | 1906.5 | 720 | ||
Performance Specifications
| 2.0 | 3.0 | 2.2 | -29-538℃ | Water, Steam, Oil Products |
Main Parts Material
| Valve Body, Valve Cover | ASTM A 351/A 351M CF8 |
| Valve Plate | ASTM A 351/A 351M CF8 |
| Valve Stem | ASTM A 965/A 965M F304 |
| Valve Stem Nut | ASTM A 439 D-2 |
| Middle Mouth Gasket, Packing | ASTM A 276 304+ Graphite |
Chemical Industry Ministry Flange National Standard Stainless Steel Wedge Gate Valve Z41W-25RL-40-200-316L
