Product Introduction of LPG Ball Valve Q341F:
LPG Ball Valve Q341F produced by TopVal closing parts of the ball revolves around the center line of the valve body to achieve the opening and closing of a valve, the seal is embedded in the valve seat, the end of the metal valve seat is provided with a spring, when the sealing surface wear or burn out, under the action of the spring to promote the valve seat and the ball to form a metal seal.It has automatic relief function, when the valve lumen medium pressure more than spring pre-tightening force, outlet valve seat back out of the sphere, achieve automatic relief effect, automatic reset after pressure relief valve seat, suitable for ordinary work such as water, solvents, acids and gas medium, but also is suitable for the working conditions of media, such as oxygen, hydrogen peroxide, methane and ethylene, etc., widely used in various fields.
Structural Features of LPG Ball Valve Q341F:
1, A unique valve seat seal seat structure
With the front seal design, this structure has a two-way seal and the cavity automatically relief function. The sealing seat, inlaid with a sealing material, floats and is spring-loaded. When in the closed position, the sealing surface remains in intimate contact with the ball to ensure leak-tightness of the valve at both high and low pressure drops.
2, Automatic pressure relief structure
When the cavity pressure abnormal increase phenomenon, the single seal structure of the ball valve with automatic pressure relief function, and double seal structure of the valve body pressure relief device on the additional pressure relief.
3, Sealed emergency ambulance function
Valve design has an auxiliary valve seat emergency seal system. Once the sealing surface is damaged, the corresponding sealant can be injected through the auxiliary sealing system for emergency treatment and the seat area can be rinsed and lubricated by the auxiliary system when necessary.
4, Anti-static device
When operating the valve, due to the friction between the ball seat, will have electrostatic charge and accumulate in the ball line. In order to prevent static sparks, special anti-static devices installed in the valve, the static electricity derived.
5, the fire structure
fixed ball valve seat with a unique structure, when a fire, the non-metallic sealing surface material burned, the metal ring spring with the elasticity of pushing the valve seat seal with the sphere, thus preventing the spread of fire and media outflow. (Fireproof structure design in line with API607, JB / T6899 and BS755),
6, the full diameter structure and reduced diameter structure
To meet user needs, far a company with all-diameter series of ball valves and reduced diameter series, full diameter ball valve pipe diameter Consistent with the pipe diameter, easy to clean, etc. Diameter reduction ball valve light weight, the fluid resistance is only part of the same diameter globe valve, the prospects are broader.
7, The body of the discharge device
According to customer requirements, the ball valve body to install the drain valve. Once both ends of the valve are closed, the back pressure in the valve chamber can be vented and relieved through the valve's drain valve.
Main Parts Material of LPG Ball Valve Q341F:
| Body | Valve stem | Valve ball | Sealing surface | Gasket | filler | Operating temperature | Suitable media |
| WCB | 1Cr13 | 1Cr13 | 1Cr13 Stellite alloy Body material | Flexible graphite Stainless steel plus flexible graphite 08 mild steel F304 F316 | Flexible graphite Braided graphite | -29-150 ° C | LPG, natural gas |
| WC6 | 15CrMo | 15CrMo | -29-150 ° C | ||||
| WC9 | 25Cr2MoV | 25Cr2MoV | |||||
| LCB | 304 | 304 | - 29-150 ° C | ||||
| CF8 | 304 | 304 | -29-150 ° C | LPG, natural gas | |||
| CF3 | 304L | 304L | |||||
| CF8M | 316 | 316 | |||||
| CF3M | 316L | 316L |
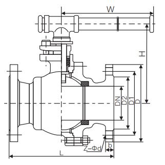
Main Connection Size and Weight (GB) of LPG Ball Valve Q341F:

| Nominal diameter | standard value | Reference | Weight (kg) | |||||||||||
| L | D | D1 | D2 | b | f | Z-Φd | H1 | H2 | H3 | H4 | ||||
| Flange | Butt welding | Q47F | Q347F | |||||||||||
| mm | PN1.0 (Mpa) | |||||||||||||
| 15 | 108 | 165 | 95 | 65 | 46 | 14 | 2 | 4-Φ14 | 145 | 210 | 346 | 4.5 | ||
| 20 | 117 | 190 | 105 | 75 | 56 | 16 | 2 | 4-Φ14 | 152 | 220 | 352 | 5.5 | ||
| 25 | 127 | 216 | 115 | 85 | 65 | 16 | 2 | 4-Φ14 | 162 | 235 | 364 | 7 | ||
| 32 | 140 | 229 | 140 | 100 | 76 | 18 | 2 | 4-Φ18 | 175 | 255 | 382 | 11.5 | ||
| 40 | 165 | 241 | 150 | 110 | 84 | 18 | 2 | 4-Φ18 | 188 | 280 | 406 | 17 | ||
| 50 | 178 | 292 | 165 | 125 | 99 | 20 | 2 | 4-Φ18 | 205 | 228 | 308 | 430 | 22 | 31 |
| 65 | 190 | 330 | 185 | 145 | 118 | 20 | 2 | 4-Φ18 | 222 | 248 | 340 | 460 | 28 | 39 |
| 80 | 203 | 356 | 200 | 160 | 132 | 20 | 2 | 8-Φ18 | 242 | 270 | 380 | 494 | 41 | 52 |
| 100 | 229 | 432 | 220 | 180 | 156 | 22 | 2 | 8-Φ18 | 265 | 294 | 430 | 538 | 48 | 71 |
| 125 | 346 | 508 | 250 | 210 | 184 | 22 | 2 | 8-Φ18 | 322 | 490 | 588 | 103 | ||
| 150 | 394 | 559 | 285 | 240 | 211 | 24 | 2 | 8-Φ23 | 358 | 560 | 644 | 180 | ||
| 200 | 457 | 660 | 340 | 295 | 286 | 24 | 2 | 8-Φ23 | 406 | 640 | 704 | 290 | ||
| 250 | 533 | 787 | 395 | 350 | 319 | 26 | 2 | 12-Φ23 | 468 | 730 | 766 | 400 | ||
| 300 | 610 | 838 | 445 | 400 | 370 | 26 | 2 | 12-Φ23 | 538 | 830 | 830 | 540 | ||
| 350 | 686 | 889 | 505 | 460 | 429 | 26 | 2 | 16-Φ23 | 610 | 940 | 922 | 734 | ||
| 400 | 762 | 991 | 565 | 515 | 480 | 26 | 2 | 16-Φ26 | 682 | 1060 | 1020 | 1005 | ||
| 450 | 864 | 1092 | 615 | 565 | 530 | 28 | 2 | 20-Φ26 | 755 | 1180 | 1114 | 1372 | ||
| 500 | 914 | 1194 | 670 | 620 | 582 | 28 | 2 | 20-Φ26 | 832 | 1300 | 1204 | 1880 | ||
| 600 | 1450 | 1394 | 780 | 725 | 682 | 34 | 2 | 20-Φ30 | 922 | 1420 | 1290 | 2648 | ||
| 700 | 1650 | 1549 | 895 | 840 | 794 | 34 | 2 | 24-Φ30 | 1015 | 1540 | 1375 | 3828 | ||
| 800 | 1850 | 1778 | 1015 | 950 | 901 | 36 | 2 | 24-Φ34 | 1110 | 1650 | 1448 | 5462 | ||
| PN1.6 (MPa) | ||||||||||||||
| 15 | 108 | 165 | 95 | 65 | 46 | 14 | 2 | 4-Φ14 | 145 | 210 | 346 | 4.5 | ||
| 20 | 117 | 190 | 105 | 75 | 56 | 16 | 2 | 4-Φ14 | 152 | 220 | 352 | 5.5 | ||
| 25 | 127 | 216 | 115 | 85 | 65 | 16 | 2 | 4-Φ14 | 162 | 235 | 364 | 7 | ||
| 32 | 140 | 229 | 140 | 100 | 76 | 18 | 2 | 4-Φ18 | 185 | 255 | 382 | 11.5 | ||
| 40 | 165 | 241 | 150 | 110 | 84 | 18 | 2 | 4-Φ18 | 188 | 280 | 406 | 17 | ||
| 50 | 178 | 292 | 165 | 125 | 99 | 20 | 2 | 4-Φ18 | 205 | 228 | 308 | 430 | 22 | 31 |
| 65 | 190 | 330 | 185 | 145 | 118 | 20 | 2 | 4-Φ18 | 222 | 248 | 340 | 460 | 28 | 39 |
| 80 | 203 | 356 | 200 | 160 | 132 | 20 | 2 | 8-Φ18 | 242 | 270 | 380 | 494 | 41 | 52 |
| 100 | 229 | 432 | 220 | 180 | 156 | 22 | 2 | 8-Φ18 | 265 | 294 | 430 | 538 | 58 | 71 |
| 125 | 356 | 508 | 25 | 210 | 184 | 22 | 2 | 8-Φ18 | 322 | 490 | 588 | 103 | ||
| 150 | 394 | 559 | 285 | 240 | 211 | 24 | 2 | 8-Φ23 | 358 | 560 | 644 | 182 | ||
| 200 | 457 | 660 | 340 | 295 | 266 | 24 | 2 | 12-Φ23 | 406 | 640 | 704 | 292 | ||
| 250 | 533 | 787 | 405 | 355 | 319 | 26 | 2 | 12-Φ26 | 468 | 730 | 766 | 404 | ||
| 300 | 610 | 838 | 460 | 410 | 370 | 28 | 2 | 12-Φ26 | 538 | 830 | 830 | 545 | ||
| 350 | 686 | 889 | 520 | 470 | 429 | 30 | 2 | 16-Φ26 | 610 | 940 | 922 | 745 | ||
| 400 | 762 | 991 | 580 | 525 | 480 | 32 | 2 | 16-Φ30 | 682 | 1060 | 1020 | 1020 | ||
| 450 | 864 | 1092 | 640 | 585 | 548 | 34 | 2 | 20-Φ30 | 755 | 1180 | 1114 | 1392 | ||
| 500 | 914 | 1194 | 715 | 650 | 609 | 36 | 2 | 20-Φ34 | 832 | 1300 | 1204 | 1910 | ||
| 600 | 1450 | 1394 | 840 | 770 | 720 | 38 | 2 | 20-Φ36 | 922 | 1420 | 1290 | 2688 | ||
| 700 | 1650 | 1549 | 910 | 840 | 794 | 40 | 2 | 24-Φ36 | 1015 | 1540 | 1375 | 3878 | ||
| 800 | 1850 | 1778 | 1025 | 950 | 901 | 42 | 2 | 24-Φ39 | 1110 | 1650 | 1448 | 5522 | ||
| PN2.5 (MPa) | ||||||||||||||
| 15 | 140 | 165 | 95 | 65 | 46 | 14 | 2 | 4-Φ14 | 150 | 218 | 354 | 4 | ||
| 20 | 152 | 190 | 105 | 75 | 56 | 14 | 2 | 4-Φ14 | 158 | 228 | 360 | 5 | ||
| 25 | 165 | 216 | 115 | 85 | 65 | 16 | 2 | 4-Φ14 | 166 | 245 | 374 | 7.5 | ||
| 32 | 178 | 229 | 140 | 100 | 76 | 18 | 2 | 4-Φ18 | 180 | 265 | 392 | 11.5 | ||
| 40 | 190 | 241 | 150 | 110 | 84 | 18 | 2 | 4-Φ18 | 195 | 290 | ||||